

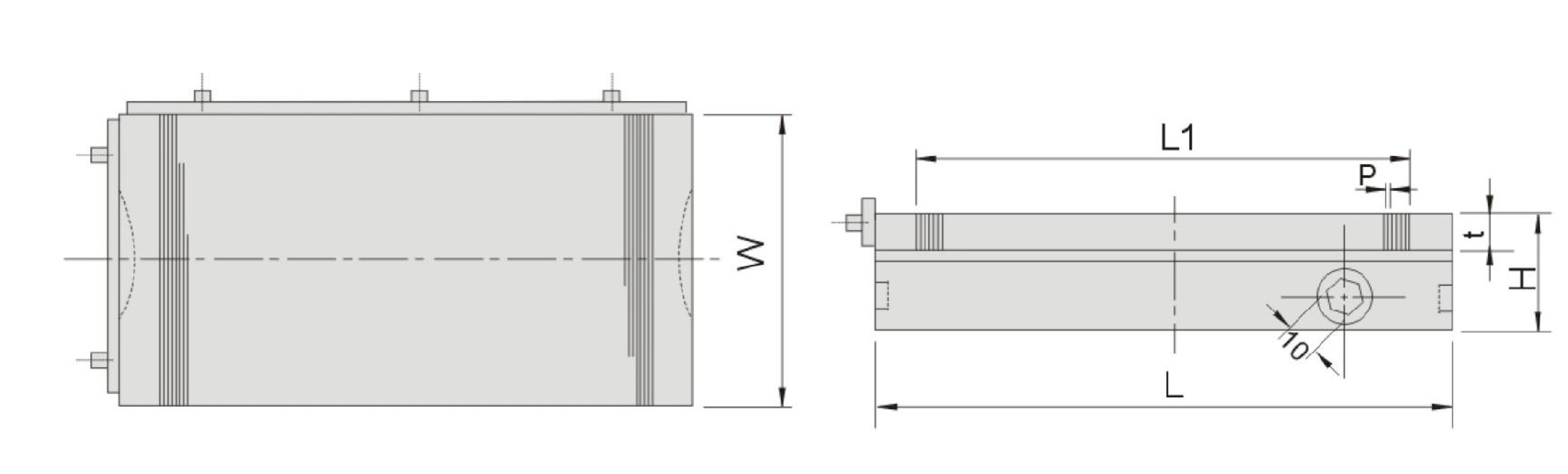
適用于平面磨床.放電加工機配著。
ON/OFF切換時.磁力面之平面精度不變。
磁極間隔細密,磁力分布均 勻,適用于小型零件或薄形物件。
面闆銅焊接合處理.可延長切削液腐蝕。
使用高性能磁石,具強磁力,殘留磁氣少。
精度高,變化小,符合高精度加工作業。

| 訂購編號 | 型號 | 規格 | 面板 | 磁力綫 | 高度 | 重量 | |||
| Order No. | Model | w | L | L1 | t | p | H | N.W. | |
| 5550-02 | 407W | 100X175 | 100 | 175 | 139 | 20 | 2 (1+1) | 52 | 7.7kg |
| 5550-04 | 606W | 150X150 | 150 | 150 | 114 | 10.0kg | |||
| 5550-06 | 510W | 125X250 | 125 | 250 | 212 | 13.9kg | |||
| 5550-08 | 612W | 150X300 | 150 | 300 | 256 | 60 | 22.3kg | ||
| 5550-10 | 614W | 150X350 | 350 | 306 | 25.4kg | ||||
| 5550-12 | 618W | 150X450 | 450 | 400 | 34.0kg | ||||
| 5550-14 | 816W | 200X400 | 200 | 400 | 356 | 38.4kg | |||
| 5550-16 | 818W | 200X450 | 450 | 400 | 45.0kg | ||||
| 5550-18 | 820W | 200X500 | 500 | 450 | 48.3kg | ||||

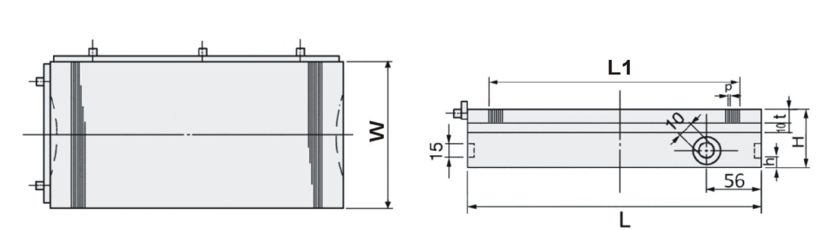
適用于平面磨床.放電加工機配著。
ON/OFF切換時.磁力面之平面精度不變。
磁極間隔細密,磁力分布均勻,適用于小型零件或薄形物件。
面闆銅焊接合處理.可延長切削液腐蝕。
使用高性能磁石,具強磁力,殘留磁氣少。
精度高,變化小,符合高精度加工作業。
不銹鋼磁距面板。
耐磨損磁盤。

| 訂購編號 | 型號 | 規格 | 面板 | 磁力綫 | 高度 | 重量 | |||
| Order No. | Model | W | L | L1 | t | P | H | N.W. | |
| 5551-01 | 305VW | 75x130 | 75 | 130 | 85 | 18 | 不銹鋼 1.4 (0.4+1) | 52 | 4.0kg |
| 5551-02 | 307VW | 75x175 | 175 | 125 | 5.5kg | ||||
| 5551-03 | 312VW | 75x300 | 300 | 246 | 9.0kg | ||||
| 5551-04 | 407VW | 100x175 | 100 | 175 | 125 | 7.0kg | |||
| 5551-05 | 510VW | 125x250 | 125 | 250 | 205 | 12.0kg | |||
| 5551-06 | 606VW | 150X150 | 150 | 150 | 110 | 9.0kg | |||
| 5551-07 | 612VW | 150x300 | 300 | 246 | 58 | 20.0kg | |||
| 5551-08 | 614VW | 150x350 | 350 | 296 | 24.0kg | ||||
| 5551-09 | 616VW | 150x400 | 400 | 346 | 27.5kg | ||||
| 5551-10 | 618VW | 150x450 | 450 | 390 | 31.0kg | ||||
| 5551-11 | 816VW | 200x400 | 200 | 400 | 346 | 37.0kg | |||
| 5551-12 | 818VW | 200x450 | 450 | 390 | 41.5kg | ||||
訂購:強力細目永磁吸盤 vw 5551